Datenanzeige

Wonach suchen Sie?


Start
Analogschaltkreise
Digitalschaltkreise
Mikrorechner/Speicher
Transistoren
Diode/Thyr./Triac
Optoelektronik
Sonstiges

Weitere Tabellen
Datenbücher
Sockelschaltungen
Kompatibel
Preislisten
Fehler melden


elektronikbastelkiste.de

Schön weich unter den Füßen.


;
Datenwartung

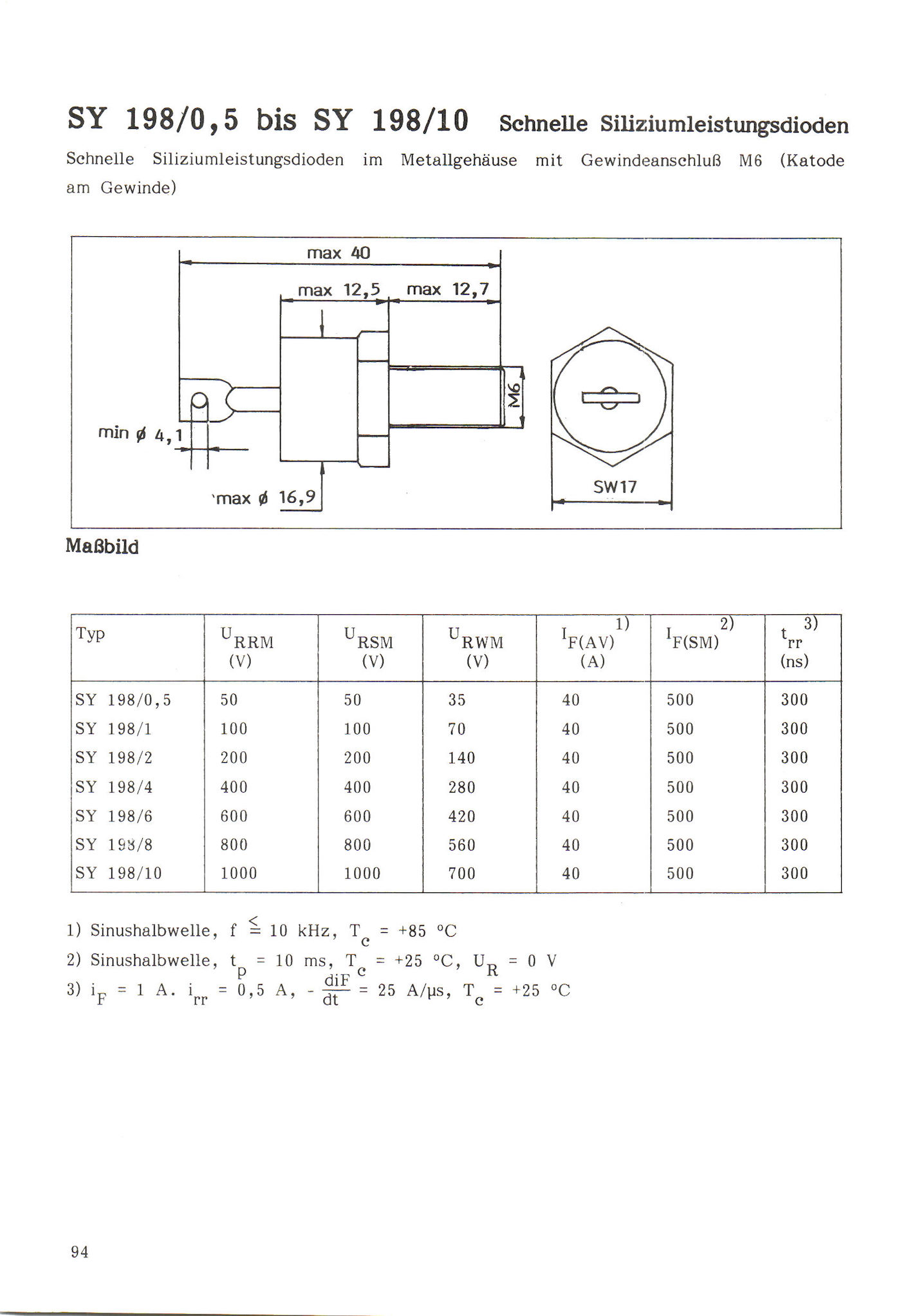
SY 198/4

Leistungs-Diode mit Gewindeanschluss

Hersteller:

VEB Mikroelektronik "Robert Harnau" Großräschen, DDR

Bauform:

Material:

Silizium

Spannung (UR):

400.00 V

Durchlassgleichstrom (IF):

40.00 A

Sperrerholzeit:

300.0 ns

Kompatibel:


Typen in Klammern sind ähnlich!

DDR-Preise in Mark

Originaltype
Industrierückkauf

Typ

EVP Gruppe 1
IAP Gruppe 1
EVP Gruppe 2
IAP Gruppe 2

SY 198/4

85.50
63.36
51.30
38.01

Datenblatt:

1989 - RFT Neuheiten


Datenblatt anzeigen

Es werden maximal zwei Datenquellen angegeben, obwohl z.T. mehr verwendet wurden!

Daten veröffentlicht: 1989 (Wenn nicht sicher, Jahr der ersten Veröffentlichung!)

Letzte Bearbeitung: 04.05.2024 / 08:48:28