Datenanzeige

Wonach suchen Sie?


Start
Analogschaltkreise
Digitalschaltkreise
Mikrorechner/Speicher
Transistoren
Diode/Thyr./Triac
Optoelektronik
Sonstiges

Weitere Tabellen
Datenbücher
Sockelschaltungen
Kompatibel
Preislisten
Fehler melden


elektronikbastelkiste.de

Altes zu Geld machen


;
Datenwartung

BFP 970

Transistor

Hersteller:

Unitra Cemi, VR Polen, Polen

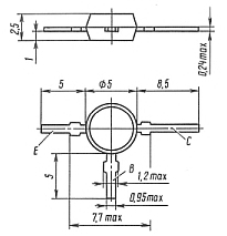
Bauform:

Material:

Silizium

Zonenfolge:

pnp

Spannung (UCE) / (UDS):

35.00 V

Strom (IC):

30.00 mA

Leistung (Ptot):

160.00 mW

Grenzfrequenz (fT):

750.00 MHz

Verstärkung (h21e):

25

Kompatibel:

BF 970 - Philips

Amazon

Google


Typen in Klammern sind ähnlich!

Datenblatt:

1990 - Katalog Unitra


Datenblatt anzeigen

Es werden maximal zwei Datenquellen angegeben, obwohl z.T. mehr verwendet wurden!

Daten veröffentlicht: 1990 (Wenn nicht sicher, Jahr der ersten Veröffentlichung!)

Letzte Bearbeitung: 21.01.2025 / 17:45:34